熱線電話
13040700003
手機掃碼訪問
①針對干燥行業、鍋爐行業、清洗行業、涂裝行業、食品烘干行業配套而研發的耐高溫離心風機。
②輸送的氣體為空氣或其他不自燃、不自爆、無纏繞性、對人體無害、對鋼鐵材料無腐蝕的氣體。也可為各行業輸送無腐蝕性、不自燃、不含粘性物質的熱氣、蒸汽、煙氣。其它性能相近的也可以選用,但輸送介質的溫度不得超過它的額定溫度范圍。
③氣體內不能有粘性物質,所含的塵土及硬質顆粒不大于150mg/m3,如果含塵量大,在風機前必須加裝準備就緒不低于85%的除塵裝置,降低進入風機的煙氣含塵量,有利于提高風機壽命。
①此類風機有兩種形式。從電機一側正視,葉輪順時針旋轉的稱為右旋風機,以“右”表示;葉輪逆時針旋轉的稱為左旋風機,以“左”表示。
②風機的出口位置,以機殼的出風口角度表示。風機出廠時均做成一種可調型式,使用單位根據要求在安裝成所需要的位置。出風口位置調整范圍是0°-255°,間隔是45°。傳動方式均為“A”式直聯傳動。
①風機主要由葉輪、機殼、進風口、電機、連接器、散熱風葉等部分組成。
②進風口采用收斂流線型減渦形式,氣流損失較小,風機的工作效率高。
③TSN-A型葉輪采用多翼式單進離心葉輪,用優質的鍍鋅板或者冷軋鋼板制成,葉片依據空氣動力原理設計。TSN-C型葉輪由10個后傾機翼型葉片、曲線形前盤和平板后盤組成。材料用強度高、耐用性好的優質鋼板制造,并經嚴格的動靜平衡校正??諝庑阅芰己茫矢?,運轉平穩。
④風機機殼與電機以金屬鑄件安裝連接,電機軸頭上安裝散熱楓葉,金屬鑄件的外壁開設進、出水管接頭,對金屬鑄件與軸頭進行降溫,確保電機在高溫下正常運行。
⑤其他機采用特殊高溫電機,風機流體部分采用耐溫材料,降溫結構性可靠。相比其它鍋爐引風機,TSN-C型結構簡單,維護方便,性價比高等優點。
| 類 型 | 機 號 | 功 率 | 轉 速 | 流 量 | 全 壓 |
| 高速型 | (TSN-) | (Kw) | (r/min) | (m3/h) | (Pa) |
| A1 | 0.37 | 2900 | 755-1111 | 754-712 | |
| A2 | 0.75 | 2900 | 1428-2524 | 1138-931 | |
| A3 | 2.2 | 2900 | 1381-2980 | 1523-1259 | |
| 低速型 | B1 | 0.25 | 1450 | 850-1500 | 300-290 |
| B2 | 0.75 | 1450 | 960-2086 | 490-400 | |
| B3 | 1.1 | 1450 | 2257-3886 | 650-550 | |
| B4 | 2.2 | 1450 | 3587-5552 | 900-750 | |
| B5 | 3 | 1450 | 4568-7412 | 1150-1250 |


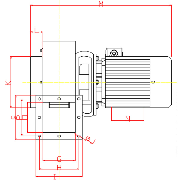
| 型 號 | A | B | C | D | E | F | G | H | I | J | K | L | M | N | O | P | Q |
| TSN-A1 | 287 | 105 | 71 | 112 | 241 | 111 | 90 | 110 | 130 | 7 | 150 | 35 | 395 | 90 | 90 | 110 | 130 |
| TSN-A2 | 385 | 128 | 71 | 112 | 331 | 151 | 130 | 155 | 180 | 8 | 160 | 31 | 440 | 90 | 151 | 180 | 205 |
| TSN-A3 | 496 | 167 | 90 | 140 | 413 | 188 | 125 | 155 | 185 | 12 | 200 | 27.5 | 501.5 | 125 | 210 | 240 | 270 |
| TSN-B1 | 385 | 128 | 71 | 112 | 331 | 151 | 130 | 155 | 180 | 8 | 160 | 31 | 440 | 90 | 151 | 180 | 205 |
| TSN-B2 | 496 | 167 | 80 | 125 | 413 | 188 | 125 | 155 | 185 | 12 | 200 | 28 | 467 | 140 | 210 | 240 | 270 |
| TSN-B3 | 549 | 226 | / | 140 | 469 | 219 | 170 | 201 | 230 | 10 | 305 | 25 | 521 | 100 | 200 | 231 | 260 |
| TSN-B4 | 621.5 | 226 | / | 160 | 549 | 259 | 200 | 231 | 260 | 10 | 350 | 22 | 651 | 140 | 215 | 246 | 275 |
| TSN-B5 | 724 | 272 | / | 160 | 627 | 292 | 210 | 240 | 270 | 10 | 340 | 40 | 679 | 140 | 250 | 279 | 340 |





品質包期為一年,終生維修。
在質保期內,我方會在接到用戶通知后4-6小時內作出報修響應,并在某24-72小時內免費提供維修服務,調整或更換有缺陷零部件或設備。在保修期間,根據用戶需要,如需要到現場進行維修的只收取工本費。為用戶提供分析系統的升級服務。
當客戶在設備出現問題或故障后需要尋求幫助,首先可以通過熱線電話或網絡請求幫助和指導,客戶服務部在確認客戶的服務請求后,將安排技術人員在規定的時間內通過電話幫助客戶進行故障定位,并提交解決方案,終指導客戶解決問題或排除設備故障。
客戶在使用設備時遇到疑難或者設備出現不正常狀態,通過電話或傳真向公司尋求技術支持和幫助,客戶服務部在確認客戶的請求后,如果不能通過熱線電話服務解決設備的技術故障,在經過雙方商議后確定需要進行現場故障排除的情況下,客戶服務部指派工程師在承諾的時間內赴現場分析故障原因,制定故障排除方案,并終排除故障。
工程師在完成現場服務后,應針對本次故障出現的原因和故障排除方法對客戶進行現場培訓,同事對客戶再使用過程中遇到的問題進行技術交流,以便客戶以后能夠獨立排除類似的設備故障。
在節假日(國家法定節假日)期間,除繼續開通服務熱線外,安排服務工程師值班,使客戶在設備使用過程中出現問題時能夠及時得到服務支持,為客戶提供周到體貼的服務。

浙江省金華市金東區孝順鎮低田工業區三伍廠內